|
||
全部產品分類
|
||



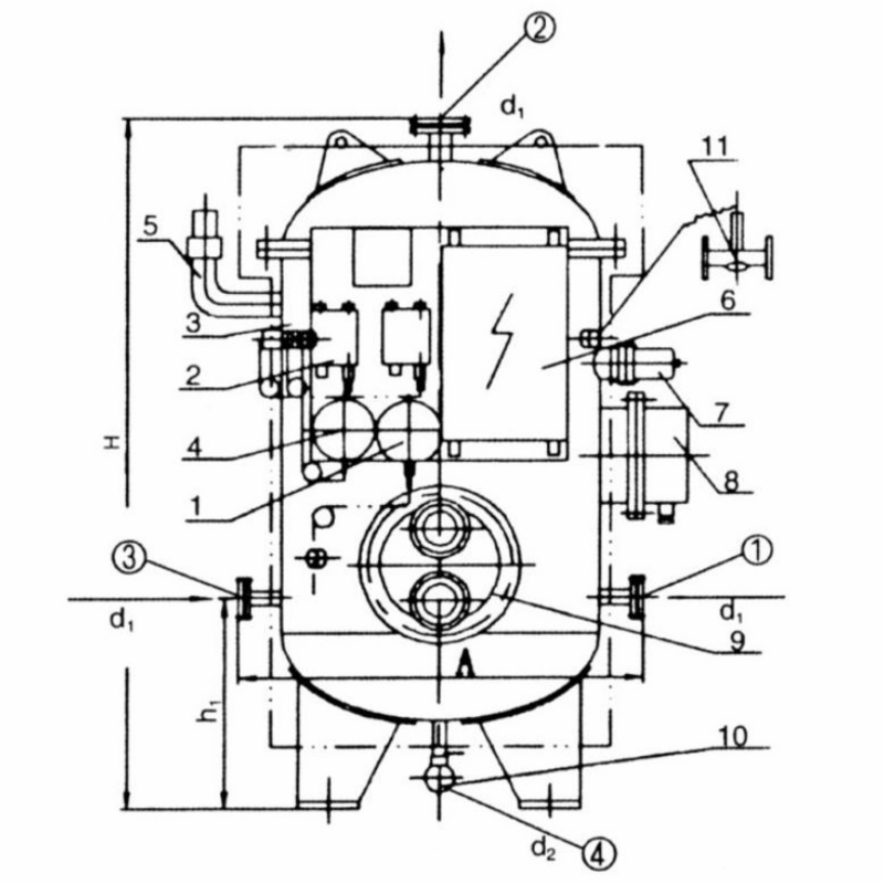
| 船用電加熱熱水柜 | |||
| 容積: | 1.0m3 | 設計壓力: | 0.45MPa |
| 進水溫度: | 15℃ | 出水溫度: | 65℃ |
| 電加熱功率: | 96kW | 電源: | AC 440V、60Hz |
| 重量: | 515kg | 蒸汽加熱水量: | 1450kg/h |
| 工作壓力: | 0.4MPa | ||


| -供應商聯系方式- | |||||
|
|
公司名稱: | 武漢東盟船舶配套工程有限公司 |
|
聯系人姓名: | 朱鵬 |
| 公司地址: | 武漢市蔡甸區九康大道花園灣二街 | 聯系人電話: | 15927110099 、027-88081198 88057818 | ||
| 聯系人郵箱: | 15927110099@139.com | ||||